-
Can be used widely for general applications.
-
A wide variety of types are available.
-
Applicable element: G type cartridge (DOE: Double Open End, gasket type)
- * Various types of adapters and optional parts are available.
- * Customized design and manufacturing services are available for applications that require other than those standard specifications type. Contact us for consultation on large size housings and housings with special specifications.
- Pressure resistance
0.49MPa
- Heat resistance
Less than 100℃
- Material
Main body: SUS304 stainless steel (for 3 cartridges, for 6 cartridges)
/ SUS316 stainless steel (for 1 cartridge)
Packing: silicone (standard)
|
|
Type |
||
|---|---|---|---|
|
FSG1-1 20PA |
FSG1-2 20PA |
FSG1-3 20PA |
|
|
A (mm) |
431 |
685 |
939 |
|
B (mm) |
365 |
619 |
873 |
|
C (mm) |
φ86.6 (Outer diameter) |
||
|
D (mm) |
120 |
||
|
N-1 Inlet |
Rc3/4 |
||
|
N-2 Outlet |
|||
|
N-3 Drain |
G1/4 (8A) |
||
|
N-4 Vent |
|||
|
Pressure gauge Nozzle |
None |
||
|
Number of cartridges |
1 |
2 |
3 |
|
Operating weight (approx. weight in kg) |
3.5 |
5.5 |
7.5 |
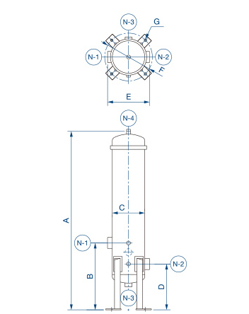
Outline drawing
|
|
Type |
|
|---|---|---|
|
FSG3-2 40PA |
FSG3-3 40PA |
|
|
A (mm) |
935 |
1185 |
|
B (mm) |
350 |
350 |
|
C (mm) |
φ170 (Outer diameter) |
|
|
D (mm) |
240 |
|
|
E (mm) |
220 |
|
|
F (mm) |
250 |
|
|
G (mm) |
4-φ12 |
|
|
N-1 Inlet |
Rc1-1/2 |
|
|
N-2 Outlet |
||
|
N-3 Drain |
Rc3/4 (20A) |
|
|
N-4 Vent |
G1/4 (Plug with a roulette) |
|
|
Pressure gauge Nozzle |
Rp1/4 (8A) |
|
|
Number of cartridges |
6 |
9 |
|
Operating weight (approx. weight in kg) |
28 |
35 |
Outline drawing
|
|
Type |
|
|---|---|---|
|
FSG6-2 50PA |
FSG6-3 50PA |
|
|
A (mm) |
950 |
1200 |
|
B (mm) |
365 |
365 |
|
C (mm) |
φ250 (Outer diameter) |
|
|
D (mm) |
235 |
|
|
E (mm) |
310 |
|
|
F (mm) |
320 |
|
|
G (mm) |
4-φ12 |
|
|
N-1 Inlet |
Rc2 |
|
|
N-2 Outlet |
||
|
N-3 Drain |
Rc3/4 (20A) |
|
|
N-4 Vent |
G1/4 (Plug with a roulette) |
|
|
Pressure gauge Nozzle |
Rp1/4 (8A) |
|
|
Number of cartridges |
12 |
18 |
|
Operating weight (approx. weight in kg) |
55 |
70 |
Outline drawing
- * For details on the methods of use, refer to the instruction manual included with the product.
- * The housing may be built to order in terms of shape and size. For details, contact your sales agent.
- * Specifications are subject to change for improvement purposes without prior notice.









