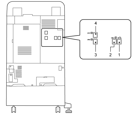
電話回線接続部
コンテンツID(2750)

| 番号 | 本機のカバーに刻印されている名称 | タッチパネルディスプレイに表示される名称 | 働き |
|---|---|---|---|
| 1 | TEL | - | ハンドセットを使用する場合は、ここに接続します。お手持ちの電話を接続することもできます。電話機以外の機器(FAX等)は接続しないでください。 |
| 2 | LINE1 | 回線1 | 一般回線(内線も可)を接続します。 |
| 3 | LINE2 | 回線2 | 一般回線(内線も可)を接続します。ISDN接続機能はありません。 |
| 4 | LINE3 | 回線3 | 一般回線(内線も可)を接続します。ISDN接続機能はありません。 |
補足
- ファクス機能は、お使いの機種によっては利用できません。利用するにはオプションが必要になります。詳しくは、弊社の営業担当者にお尋ねください。
- LINE2(回線2)、LINE3(回線3)はオプションです。
- 「TEL」端子へ接続した受話器から通話できるのは、「LINE1」に接続した回線だけです(「LINE2」、「LINE3」に対して、受話器からの通話はできません)。