- 接続CTPセッター
Luxel T-9800HD/HDNシリーズ
- 使用プレートタイプ
FUJIFILM製サーマルCTPプレート XP-F、XP-L、ZP、ZD-II、ZX
- 刷版サイズ
最小:745×605mm 最大:1165×950mm(パレット)
最小:500×400mm 最大:1165×950mm(カセット)- * 輪転機サイズについてはご相談ください
- 刷版厚み
0.15~0.4mm(0.15mmはオプション)
- 刷版搬送
自動搬送
- * 合紙取り機構あり
- 生産性
最大70版/時(標準パレット)
- パレット
標準:1パレット
1パレット当たり積載量:最大1200枚- * 最大2パレット(オプション)
- カセット
標準:0カセット
1カセット当たり積載量:最大100枚- * 最大2カセット搭載可能(オプション)
- 合紙ボックス
本体収納式
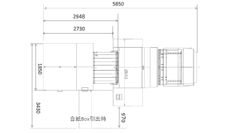
最大250枚分の合紙を収納可能- 外形寸法
1,850×2,948×1,550mm(搬送ブリッジ含む)
3,430×2,948×2,390mm(合紙ボックス及び扉開時)- 重量
約750kg(標準仕様/機器本体のみ)
- 電源
単相205-230VAC 3.46A/0.79kW
- 電源
単相205-230VAC 50/60Hz
3.46A/0.79kW- 発熱量
1,080kJ/時以下
- 圧縮エア
圧力:7bar 必要流量:170L/分 接続口:8mm(ホース)、ドライ、オイルフリー、ダストフリー
- 温湿度
温度:18-23℃ 湿度:40-60%RH(結露なきこと)
- 床強度
800kg/m2(本体パレット含む)
- アンカー
アンカーパレットの衝撃対応用ガード設置の為、アンカー固定が必要
- 騒音レベル
70dB以下
- * 装置仕様・設置環境は変更になる可能性があります。

有処理版

無処理版









