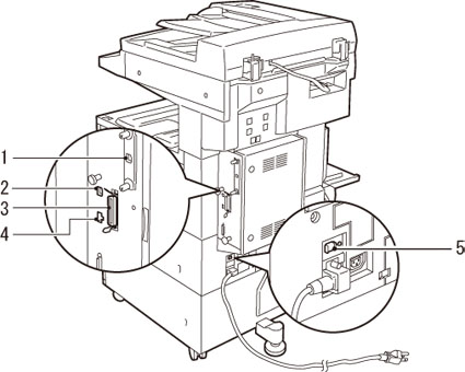
背面

|
番号 |
名称 |
働き |
|---|---|---|
|
1 |
USB2.0 インターフェイスコネクター(オプション) | USBケーブルを接続します。 |
|
2 |
USB1.1 インターフェイスコネクター | ボイスアシスタント(オプション)を使用する場合は、ここに接続します。 |
|
3 |
パラレルインターフェイスコネクター | セントロニクス準拠インターフェイスケーブルを接続し、パソコンと接続します。 |
|
4 |
10BASE-T/100BASE-TXコネクター | ネットワークケーブルを接続します。 |
|
5 |
リセットボタン | 漏電を検知すると、自動的に電源を遮断するスイッチです。 |