電話回線接続部
コンテンツID(2750)

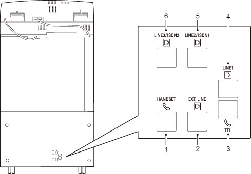
| 番号 | 本体のカバーに 刻印されている名称 | タッチパネル ディスプレイに 表示される名称 | 働き |
|---|---|---|---|
| 1 | HANDSET | - | 使用しません。 |
| 2 | EXT.LINE | - | 使用しません。 |
| 3 | TEL | - | ハンドセット(オプション)を使用する場合は、ここに接続します。お手持ちの電話を接続することもできます。 電話機以外の機器(FAX等)は、接続しないでください。 |
| 4 | LINE1 | 回線1 | 一般回線(内線も可)を接続します。 |
| 5 | LINE2/ISDN1 | 回線2 | 一般回線(内線も可)を接続します。ISDN接続機能はありません。 |
| 6 | LINE3/ISDN2 | 回線3 | 一般回線(内線も可)を接続します。ISDN接続機能はありません。 |
補足
- ファクス機能は、お使いの機種によっては利用できません。利用するにはオプションが必要になります。詳しくは、弊社の営業担当者にお尋ねください。
- LINE2/ISDN1(回線2)、LINE3/ISDN2(回線3)はオプションです。
- ISDN接続機能はありません。
- HANDSET、EXT.LINEの接続部は使用しません。
- 通常、「TEL」端子にはカバーが付いています。お手持ちの電話を接続するときは、弊社のカストマーコンタクトセンターまたはカストマーエンジニアにお問い合わせください。
- TEL端子へ接続した受話器から通話できるのは、LINE1(回線1)に接続した回線だけです(LINE2/ISDN1(回線2)、LINE3/ISDN2(回線3)に対して、受話器からの通話はできません)。