電話回線接続部
コンテンツID(2750)
G4非対応機

| 番号 | 本体のカバーに 刻印されている名称 | タッチパネル ディスプレイに 表示される名称 | 働き |
|---|---|---|---|
| 1 | (表示なし) | - | 使用しません。 |
| 2 | (表示なし) | - | 使用しません。 |
| 3 | TEL | - | ハンドセット(オプション)を使用する場合は、ここに接続します。お手持ちの電話を接続することもできます。 |
| 4 | LINE1 | 回線1 | 一般回線(内線も可)を接続します。 |
| 5 | LINE2 | 回線2 | 一般回線(内線も可)を接続します。 |
| 6 | LINE3 | 回線3 | 一般回線(内線も可)を接続します。 |
補足
- ファクス機能は、お使いの機種によっては利用できません。利用するにはオプションが必要になります。詳しくは、弊社の営業担当者にお尋ねください。
- LINE2、LINE3はオプションです。
- 通常、「TEL」端子にはカバーが付いています。お手持ちの電話を接続するときは、弊社のカストマーコンタクトセンターまたはカストマーエンジニアにお問い合わせください。
- 「TEL」端子へ接続した受話器から通話できるのは、「LINE1」に接続した回線だけです(「LINE2」、「LINE3」に対して、受話器からの通話はできません)。
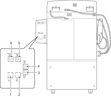
G4対応機

| 番号 | 本体のカバーに 刻印されている名称 | タッチパネル ディスプレイに 表示される名称 | 働き |
|---|---|---|---|
| 1 | ハンドセット | - | ハンドセット(オプション)を使用する場合は、ここに接続します。「電話機」端子には接続しないでください。お手持ちの電話は接続できません。 |
| 2 | 内線 | 回線0 | 回線1に接続した回線と切り替えて使用する回線を接続します。内外線切り替えキット(オプション)が必要です。 |
| 3 | 電話機 | - | 使用しません。 |
| 4 | 回線1 | 回線1 | 一般回線(内線も可)を接続します。 |
| 5 | 回線2/ISDN1 | 回線2、回線3 | ISDN回線を接続します。 |
| 6 | 回線4/ISDN2 | 回線4、回線5 | 一般回線(内線も可)またはISDN回線を接続します。オプションの増設G3ポートキットまたはISDN G3/G4増設ポートが必要です。 |
補足
- ハンドセット、回線0、回線4、回線5はオプションです。
- ISDN 回線は、屋内のDSU を介してデジタル加入者線に接続してください。
- 通常、電話機にはカバーが付いています。お手持ちの電話を接続するときは、弊社のテレフォ ンセンターまたはカストマーエンジニアにお問い合わせください。
- 「電話機」端子へ接続した受話器から通話できるのは、「回線1」に接続した回線だけです(「回線2」、 「回線4」に対して、受話器からの通話はできません)。